| 主题:中心发送命令集之开关中控锁命令S6(2) |
| 问题类型: 新用户必读 |
| 发帖人:super |
| 时间: 2011-11-06 15:26:35 |
|
例:*HQ,0000000000,S6,130305,0# ;
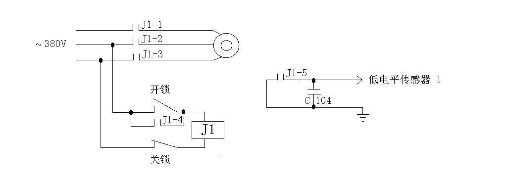
若中控锁处于关锁状态则车载机执行中控锁开锁动作并返回: *HQ,2020916012,V4,S6,DONE,130305,050316,A,2212.8745,N,11346.6574,E,14.28,028,220902,FFFFFBFF# 若中控锁处于开锁状态则直接返回以上信息。 若中控锁正在进行开锁或关锁动作中,车载机不执行命令并返回ERROR信息: *HQ,2020916012,V4,S6,ERROR,130305,050316,A,2212.8745,N,11346.6574,E,14.28,028,220902,FFFFFBFF# 开关中控锁的动作取决于车载机设置的是电动锁还是气动锁,电动锁的开锁动作是开锁继电器吸合1秒,关锁动作是关锁继电器吸合1秒,气动锁的开锁动作是开锁继电器吸合5秒,关锁动作是关锁继电器吸合5秒。 注意: a)?由于车载机无法判断门锁的实际状态,车载机的中控锁状态与门锁的实际状态不一定相符,若采用钥匙开关锁则实际门锁状态与车载机内部门锁状态就可能不相符。 例如:令车载机关锁,则车载机认为门锁是关的,此时若用钥匙去开锁,然后再令车载机关锁则车载机不会动作,因为虽然门锁实际是开的但车载机内部门锁状态仍然是关锁状态。此时应先发一次开锁命令,再发关锁命令。若车门信号变由关门状态变为开门状态瞬间车载机会自动将内部门锁状态设置为开锁状态,强制锁门时若车门信号是开门状态车载机仍然会将内部门锁状态设置为关锁状态。 b)?刹车锁门功能出厂设置为:打开。 c)?强制锁门功能和预警状态出厂设置均为:关闭,相当于执行了M=8的S6命令。 d)?如果不通过遥控器而是用手柄设防则不关锁进入预警状态,预警状态1分钟后进入警戒状态。进入警戒状态后检测到车门开信号时车载机会认为可能是车主没带遥控器而通过钥匙开门,车载机会延迟等待1分钟以便车主输入密码而不是立即触发盗警。 除了开关中控锁外,若将中控锁继电器的输出接到相应电路中即可进行相关控制,下面给出一个控制水泵电机的原理性示意图,按图中接法开锁命令用于启动水泵,关锁命令用于关闭水泵,水泵的开关状态则通过低电平传感器1传回。
|
|
好
中
差
|